Preparation and Dosing Solutions
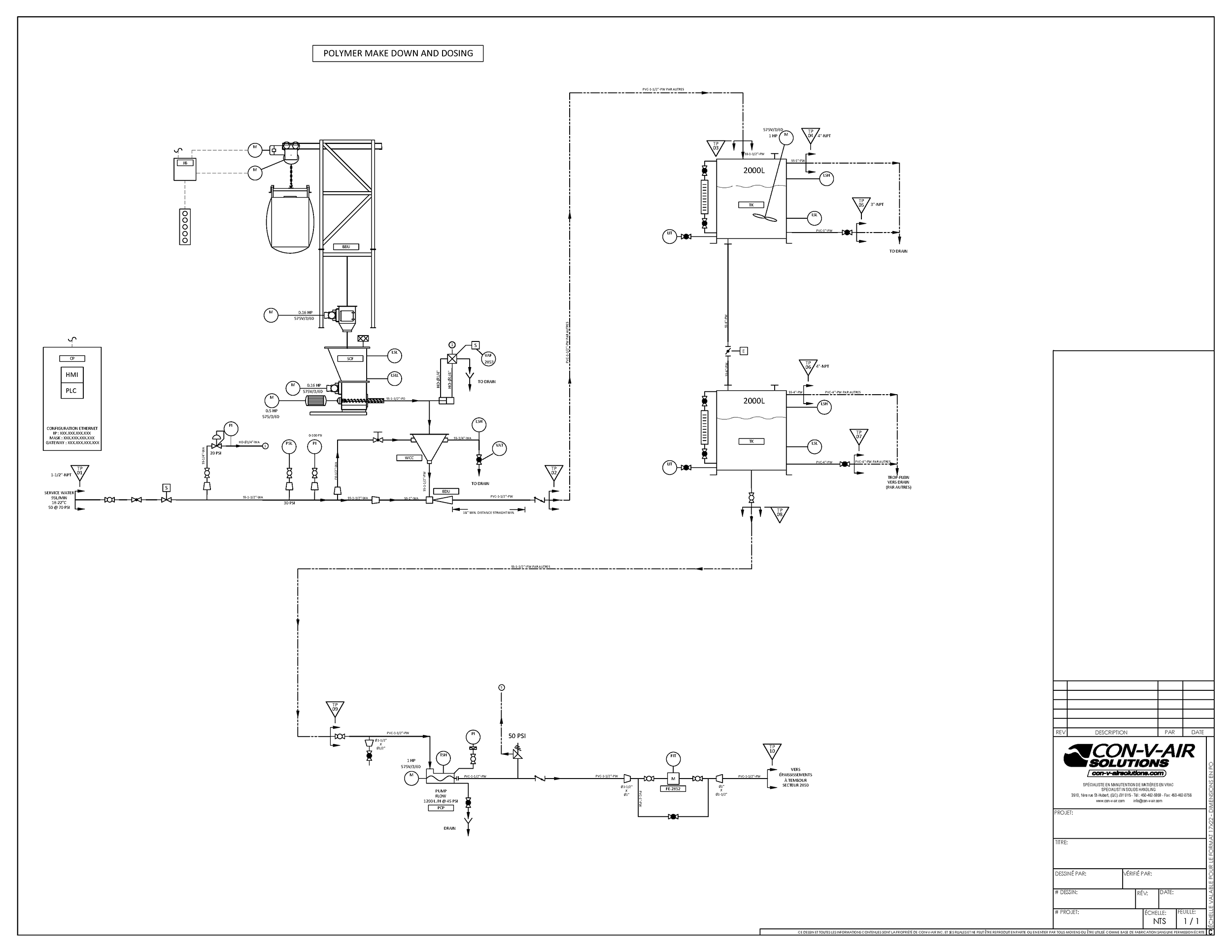
Con-V-Air offers fully customizable systems for the preparation and dosing of liquids and solids. Each system is tailor-made by our team to meet the specific requirements of your project.
As a vertically integrated manufacturer of fully modular systems, designed and built in-house, Con-V-Air ensures complete control over engineering, manufacturing, assembly, and testing. This approach minimizes risks related to delays, costs, and safety during on-site installation.
Standard Components and Configurations
Each system includes standard components developed and manufactured by CON-V-AIR, such as bag handling equipment, volumetric or gravimetric feeders, mixing tanks, pumping systems, safety equipment, and integrated control panels.
To meet your operational needs, we offer a wide range of customizable options, including access platforms, staircases, and preassembled systems, ensuring ease of maintenance, safety, and installation.
Safe and Efficient Solutions for Chemical Handling
Our systems are designed to enhance safety and operational efficiency in the handling and dosing of chemicals. By carefully selecting materials compatible with a wide range of chemicals, we deliver robust and reliable solutions tailored to your applications.
Our automated systems provide exceptional precision in chemical preparation and dosing, ensuring optimal performance. Additionally, our skid-mounted units are preassembled and pretested at our facilities, reducing installation time and risks during on-site commissioning.
